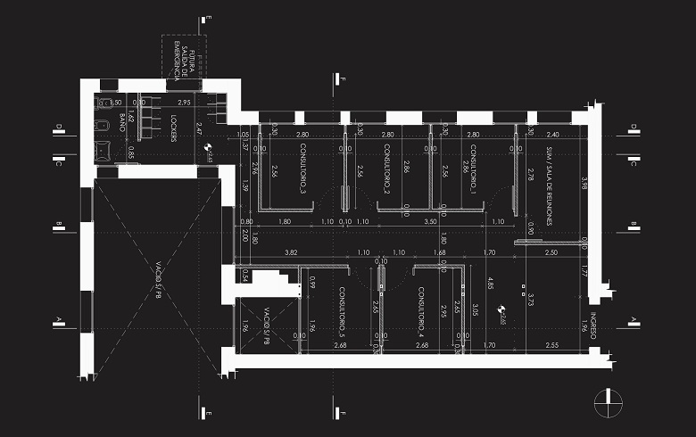
Mejoras de la sala de espera y consultorios para el servicio de oncología
Está en estudio el proyecto de ampliación de los consultorios externos y tratamientos para el servicio de Oncología del Hospital Centenario.Se están evaluando las condiciones edilicias y la locación de las nuevas obras además de la construcción de una planta alta para aumentar la capacidad de dicho servicio




